info@ionfactor.com.ar
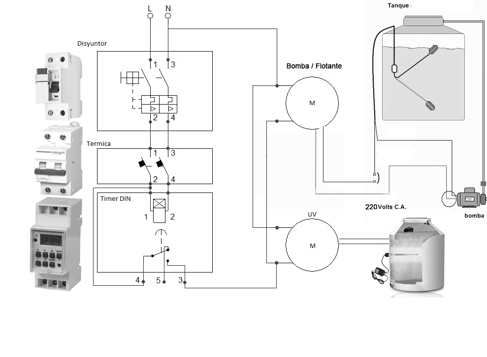
Clic aquí Manual de instalacion de la boya y lampara UVC para tanques de agua
Clic aquí Manual de instalacion de la boya UVC para tanques de agua
Clic aquí Manual de instalacion de la lampara completa sin boya UVC para tanques de agua